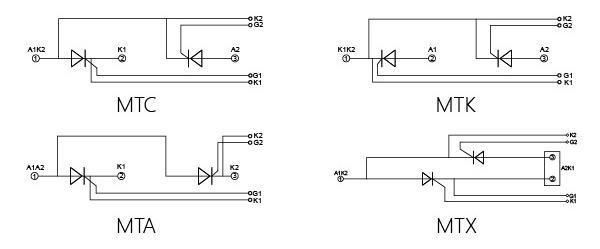
Nuestro módulo tiristor 200A-1000A MTC MTK MTA MTX se utiliza para la conmutación en operaciones de rectificación, calentamiento, control de velocidad, estabilización de voltaje, compensación, inversión, galvanoplastia, soldadura eléctrica y soldadura por puntos, así como para efectuar la carga, descarga y arranque suave de una variedad de dispositivos.
| Modelo | Puerto MT 200A | Puerto MT 250A | Puerto MT 300A | Puerto MT 400A | Puerto MT 500A | Puerto MT 600A | Puerto MT 800A | Puerto MT 1000A | |
| Corriente promedio en estado activo | A | 200 | 250 | 300 | 400 | 500 | 600 | 800 | 1000 |
| Voltaje inverso repetitivo máximo | V | 400-2600 | |||||||
| Tensión/corriente máxima en estado activo | V | 1.9 | |||||||
| A | 600 | 750 | 900 | 1050 | 1500 | 1800 | 2400 | 3000 | |
| Corriente máxima directa/inversa repetitiva | mA | 30 | 30 | 40 | 40 | 40 | 40 | 40 | 40 |
| Corriente de activación | mA | 180 | 180 | 200 | 200 | 200 | 200 | 200 | 200 |
| Voltaje de activación | V | 2.5 | 2.5 | 2.5 | 3.0 | 3.0 | 3.0 | 3.0 | 3.0 |
| Corriente de mantenimiento | mA | 100 | |||||||
| Tasa de incremento crítico de voltaje en estado inactivo | V/μs | 800 | |||||||
| Tasa de incremento crítico de corriente en estado activo | A/μs | 100 | |||||||
| Temperatura máxima de unión nominal | ℃ | 125 | |||||||
| Voltaje de aislamiento | V(AC) | 2500 | |||||||






Productos relacionados
semiconductor, interruptor eléctrico, dispositivo eléctrico
Clion Electric Co.,Ltd.
Dirección: No.319, Wei 18 Rd.,Yueqing Economic Development Zone,Yueqing City, Zhejiang Province, 325600
Personas de Contacto: Tony Chen
Teléfono: +86-577-57156992
Fax: +86-577-57572255
E-mail: clionrelay@hotmail.com
